X-Panel 4343a FRM-CSV
X-Panel 4343a FRM-CSV is a dynamic amorphous silicon (a-Si-TFT) flat panel detector optimized for radiographic/fluoroscopic (R/F) and CBCT imaging.

| Product | X-Panel 4343a FRM-CSV |
| Technology | |
| Sensor | a-SI |
| Scintillator | CsI |
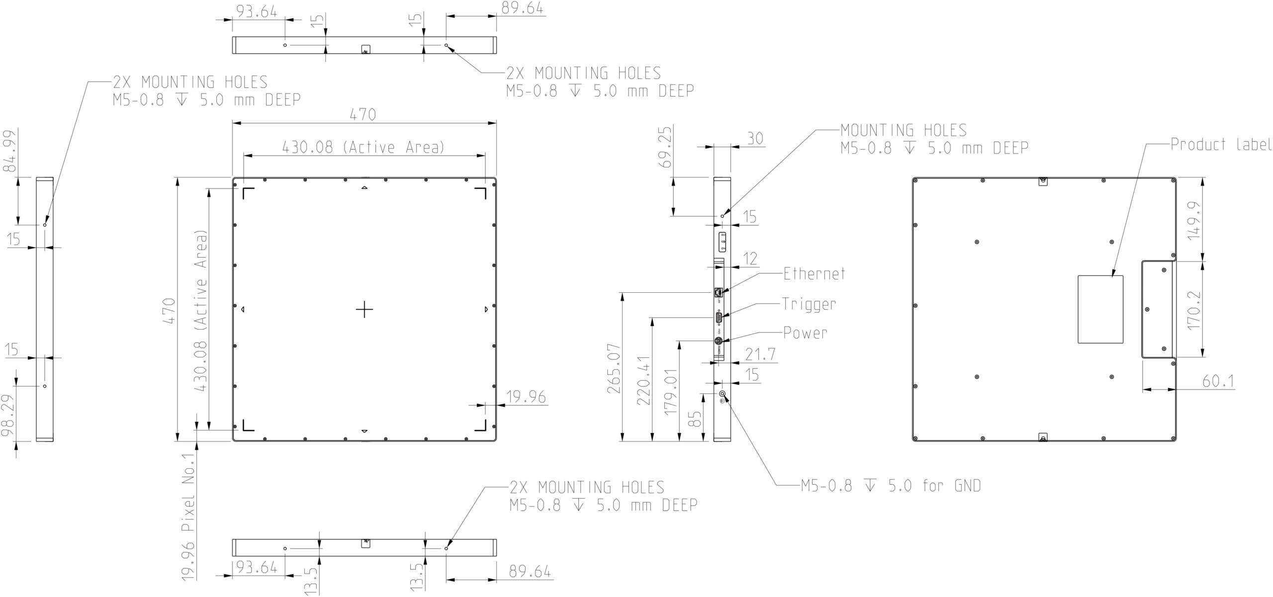
| Active area | 430 x 430 |
| Pixel matrix | 3072 x 3072 |
| Pixel pitch | 140 µm |
| ADC | 16 bits |
| Interface | |
| Data interface | Gigabit ethernet |
| Max frame rate | 4 fps (1×1) / 8 fps (2×2) |
| Mechanics | |
| Dimensions (H x W x D) | 470 x 470 x 30 mm |
| Weight | 9.5 kg |
| Environmental | |
| Temperature | 10~35°C (operating); -10~50°C (storage) |
| Humidity | 30~70% RH (non-condensing) |
| IP rating | IPX0 |
| Power | |
| Consumption | 17 W |
| Applications | Digital Radiography & Fluoroscopy |























